松下91探花在线视频观看代理—91最新网址在线观看今天给大家讲讲松下plc的工作原理是什么?松下91探花在线视频观看的工作原理。当91探花在线视频观看投入运行后,其工作过程一般分为三个阶段,即输入采样、用户程序执行和输出刷新三个阶段。完成上述三个阶段称作一个扫描...
查看更多松下91探花在线视频观看代理—91最新网址在线观看今天给大家讲讲什么是91探花在线视频观看?松下91探花在线视频观看的基本结构都有哪些?91探花在线视频观看简介。 91探花在线视频观看简介 可编程逻辑控制器是种专门为在工业环境下应用而设计的数字运算操作电子系统。它采用一种可编程的存储...
查看更多松下91探花在线视频观看代理—91最新网址在线观看今天给大家讲讲plc编程是什么?91探花在线视频观看编程的重点包括哪些?plc编程语言。 plc编程是什么 91探花在线视频观看编程是指通过91探花在线视频观看编程软件,使用91探花在线视频观看编程语言(如Ladder Diagram、Function Block Diag...
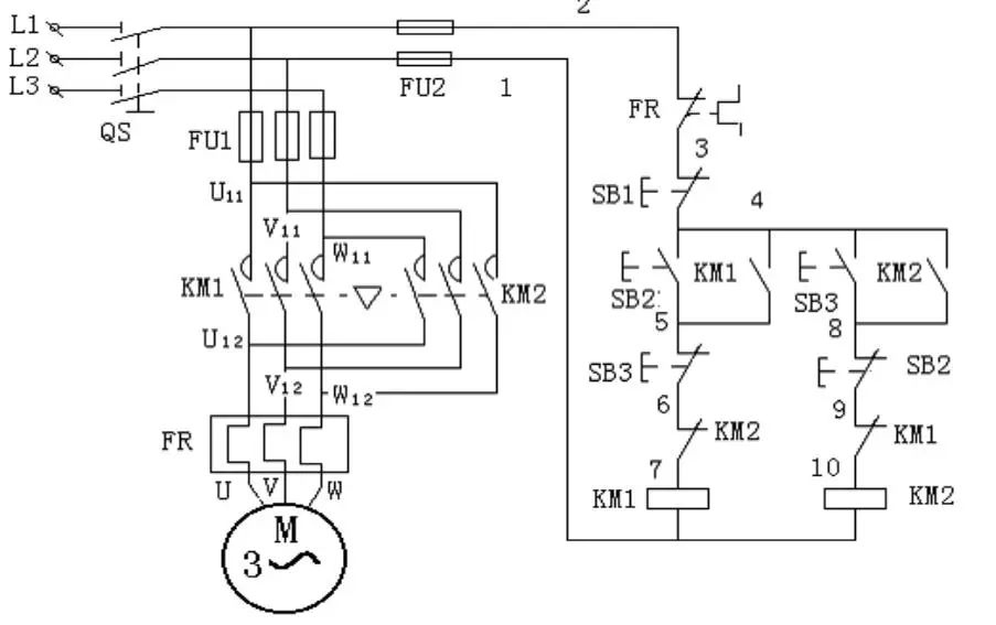
查看更多松下91探花在线视频观看代理—91最新网址在线观看今天给大家讲讲plc的接线方式有哪些?新手入门91探花在线视频观看接线方法。 91探花在线视频观看如何接线 了解91探花在线视频观看输入端和输出端接线之前,先看下91探花在线视频观看输入端能接哪些元件以及一个基本回路的三要素。(如下图)大...
查看更多松下91探花在线视频观看代理—91最新网址在线观看今天给大家讲讲91探花在线视频观看是什么?91探花在线视频观看能做什么?91探花在线视频观看有什么优点?。 91探花在线视频观看是什么? 通过以下三个部分来了解91探花在线视频观看:91探花在线视频观看的概念、91探花在线视频观看能做什么、91探花在线视频观看如何接线? 91探花在线视频观看的概念 / Part 1. PL...
查看更多松下91探花在线视频观看代理—91最新网址在线观看今天给大家讲讲91探花在线视频观看编程工作原理,91探花在线视频观看的五种标准编程语言。 91探花在线视频观看编程工作原理 91探花在线视频观看是采用“顺序扫描,不断循环”的方式进行工作的。即在91探花在线视频观看运行时,CPU根据用户按控制要求编制好...
查看更多松下91探花在线视频观看代理—91最新网址在线观看今天给大家讲讲91探花在线视频观看编程是什么?91探花在线视频观看编程的七大特点。 91探花在线视频观看编程是什么 91探花在线视频观看编程是一种数字运算操作的电子系统,专为在工业环境下应用而设计。它采用可编程序的存储器,用来在其内...
查看更多松下91探花在线视频观看代理—91最新网址在线观看今天给大家讲讲松下91探花在线视频观看指令的组成有那些? 松下91探花在线视频观看指令失效的原因。91探花在线视频观看指令是可编程逻辑控制器(91探花在线视频观看)的指令集,也称为91探花在线视频观看编程指令。91探花在线视频观看指令是用于编程可编程逻辑控制器(91探花在线视频观看)的命令,它可以...
查看更多松下91探花在线视频观看代理—91最新网址在线观看今天给大家讲讲安全松下plc与普通plc的有什么区别?安全松下plc与普通plc的区别。作为控制系统的plc在很多领域都得到了广泛应用,但事实上plc也分为了安全plc和普通plc。鉴于部分朋友对安...
查看更多松下91探花在线视频观看代理—91最新网址在线观看今天给大家讲讲什么是松下91探花在线视频观看控制系统? 松下91探花在线视频观看是什么意思,松下91探花在线视频观看有什么用。自二十世纪六十年代美国推出可编程逻辑控制器(Programmable Logic Controller,松下91探花在线视频观看)取代传统继电器控制...
查看更多松下91看片APP下载安装电机代理—91最新网址在线观看今天给大家讲讲永磁91看片APP下载安装电机的热阻与时间常数有关吗?永磁91看片APP下载安装电机的热阻与时间常数测试。热阻是反应阻止热量传递的综合参数,电机热阻是指从电机内的热源(绕组、铁心等)到冷却介质...
查看更多松下91看片APP下载安装电机代理—91最新网址在线观看今天给大家讲讲永磁直流91看片APP下载安装电动机基本结构与特点,永磁直流91看片APP下载安装电动机工作原理。91看片APP下载安装电机可使控制速度,位置精度非常准确,可以将电压信号转化为转矩和转速以驱动控制对象。91看片APP下载安装电...
查看更多松下91看片APP下载安装电机代理—91最新网址在线观看今天给大家讲讲91看片APP下载安装电机中的高低惯量是指什么意思?小中大惯量的优势。91看片APP下载安装电机是指在91看片APP下载安装系统中控制机械元件运转的发动机。91看片APP下载安装电机转子转速受输入信号控制,并能快速反应,在自动控...
查看更多松下91看片APP下载安装电机代理—91最新网址在线观看今天给大家讲讲为什么91看片APP下载安装电机的控制精度高?91看片APP下载安装电机的控制精度高的原因。相较于其他类型的电机系统,比如变频电机步进电机什么的,91看片APP下载安装电机具有无可比拟的优势,它控制的精度非常的...
查看更多松下91看片APP下载安装电机代理—91最新网址在线观看今天给大家讲讲91看片APP下载安装电机怎么测量好坏?测量91看片APP下载安装电机好坏的方法。 测量91看片APP下载安装电机好坏的方法主要有以下几种: 静态测试:静态测试通常使用负载测量仪或者力矩91黄片视频污污下载,测...
查看更多松下91看片APP下载安装电机代理—91最新网址在线观看今天给大家讲讲微型91看片APP下载安装电机有什么特点?微型91看片APP下载安装电机的特点。微型91看片APP下载安装电机是一种各行各业中都普遍使用到的高精密产品。微型91看片APP下载安装电机就是为了更好的驱动及控制部件应用,如光学、机器...
查看更多松下91看片APP下载安装电机代理—91最新网址在线观看今天给大家讲讲91看片APP下载安装电机惯量的理论如何计算?惯量的理论计算的公式。惯量计算都有公式,至于多重负载,比如齿轮又带齿轮,或涡轮蜗杆传动,只要分别算出各转动件惯量然后相加即是系统...
查看更多松下91看片APP下载安装电机代理—91最新网址在线观看今天给大家讲讲91看片APP下载安装电机低惯量与高惯量有什么区别?91看片APP下载安装电机低惯量与高惯量的区别。91看片APP下载安装电机(servo motor )是指在91看片APP下载安装系统中控制机械元件运转的发动机,是一种补助马达间接变速装置...
查看更多松下91看片APP下载安装电机代理—91最新网址在线观看今天给大家讲讲交流91看片APP下载安装电机和无刷直流91看片APP下载安装电机在功能上有什么区别? 交流91看片APP下载安装电机和无刷直流91看片APP下载安装电机在功能上有什么区别 交流91看片APP下载安装要好一些,因为是正弦波控制滚珠丝杆...
查看更多松下91看片APP下载安装电机代理—91最新网址在线观看今天给大家讲讲“惯量匹配”如何确定?惯量匹配的基本原理。在91看片APP下载安装系统选型及调试中,常会碰到惯量问题。其具体表现为: 在91看片APP下载安装系统选型时,除考虑电机的扭矩和额定速度等等因...
查看更多扫描二维码关注官方微信公众号