松下91看片APP下载安装电机

旋转气缸系列
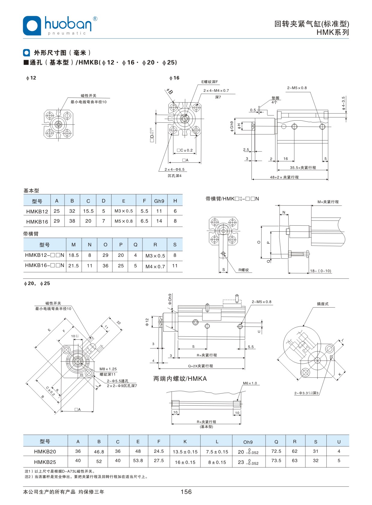
  • HMK夹紧气缸
  • 主图2.jpg
  • 主图3.jpg

HMK夹紧气缸

在线咨询
全国免费服务专线4000-226-036

产品描述

  备案号:粤ICP备29353988号    粤公网安备 44030602003136号

网站地图| |技术支持:91最新网址在线观看

扫描二维码关注官方微信公众号

确定
在线咨询
点击这里给我发消息 点击这里给我发消息
在线留言
官方微信

扫一扫
关注91最新网址在线观看官方微信

全国服务热线
4000-226-036

返回顶部
网站地图